Головна
Cоціологія || Гуманітарні науки || Мистецтво та мистецтвознавство || Історія || Медицина || Науки про Землю || Політологія || Право || Психологія || Навчальний процес || Філософія || Езотерика || Екологія || Економіка || Мови та мовознавство
ГоловнаМедицина → Цитологія, гістологія і ембріологія
««   ЗМІСТ   »»

ЛЕГКІ

Легкі - це парні органи дихання трубчасто-альвеолярного будови. Легкі здійснюють газообмін між організмом і зовнішнім середовищем, мають форму усіченого конуса і розташовані в грудній порожнині.

Будова. Розрізняють такі поверхні легенів, звернені до відповідних органів: реберну, середостіння (внутрішню), серцеву, діафрагмальну.

Спинний край легких тупий, а вентральний - гострий і розділений глибокими вирізками на три частки: верхушечную (передню), серцеву (середню) та найбільшу - увігнуту каудальную (диафрагмальную).

На правій легені з боку середостіння поверхні є невелика додаткова частка. У коней серцева і диафрагмальная частки зростаються. На медіальній поверхні легенів є поглиблення - ворота легень, через які входять головний бронх і легенева артерія, а виходять легеневі вени.

Легкі зовні покриті серозною оболонкою -легеневої плеврою.

Це серозна оболонка, що покриває легке і грудну порожнину. Плевра складається з тонкого шару пухкої сполучної тканини і шару плоских клітин мезотелію. У сполучної тканини плеври, особливо в висцеральном листку, міститься велика кількість еластичних волокон.

Остов легких з пухкої волокнистої сполучної тканини добре розвинений, ділить легкі на дольки, видимі неозброєним оком, тому у жуйних і свиней малюнок легких мармуровий, пористий. Між часточками в пухкої волокнистої сполучної тканини проходять бронхи, кровоносні судини, нерви.

Головні бронхи, починаючись від біфуркації трахеї, багаторазово розгалужуються і формують бронхіальне дерево. Легенева артерія розгалужується разом з бронхами. Від головного бронха відокремлюються великі бронхи в верхівкову, серцеву, додаткову частки і кілька - в діафрагмальну частку.

Розгалужуючись, великі позалегеневі бронхи переходять у внут- рілегочние середні і дрібні. У міру розгалуження в бронхах зменшується кількість хрящової тканини, з'являється м'язовий шар слизової оболонки з гладких м'язових клітин, в слизової скорочується кількість залоз (рис. 96).

Найдрібніші внутрідольковие бронхи - бронхіоли діаметром до 1 мм вступають в легеневі часточки через вершини. У бронхіолах м'язова тканина майже зникає, замінюється еластичними волокнами, що сприяють розтягуванню бронхіол.

У часточці бронхіоли діляться на кінцеві, діаметром до 0,4 мм, і на 2 ... 3 респіраторні (альвеолярні) бронхіоли. ці бронхі-

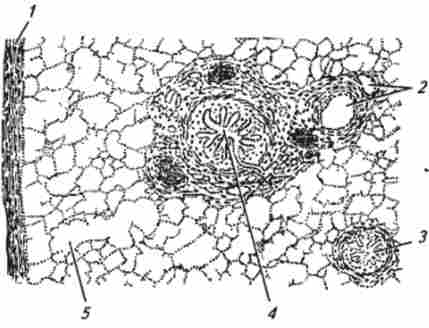
Будова легкого великої рогатої худоби

Мал. 96. Будова легкого великої рогатої худоби:

I - плевра; 2 кровоносні судини; 3 невеликий бронх; 4 - середній бронх; 5 альвеоли оли розгалужуються на альвеолярні ходи, що закінчуються альвеолами. Альвеоли діаметром до 0,1 ... 0,14 мм побудовані з плоских клітин респіраторного епітелію. Структурна і функціональна одиниця легень, або первинна легенева часточка, представлена респіраторними бронхіолами з альвеолами.

Між суміжними альвеолами є отвори - альвеолярні пори. У прошарках пухкої волокнистої сполучної тканини (інтерстиціальної тканини) між альвеолами розташовуються численні капіляри, тонкі пучки колагенових волокон, фрагменти еластичної мережі, вільні і фіксовані макрофаги.

Альвеолярнімакрофаги - вільні фагоцити, що переміщаються по поверхні альвеолярної вистилки і володіють потужною фагоцитарної активністю.

Альвеоли легкого вистилають два види клітин: пневмоцити I типу (респіраторні альвеолоціти) і пневмоцити II типу (великі альвеолоціти).

Пневмоцити I типу покривають більшу частину внутрішньої поверхні альвеол, мають форму великих тонких пластинок, висота яких коливається від 0,2 до 0,3 мкм. Ядерна частина клітин виступає в порожнину альвеоли. У цитоплазмі містяться численні мітохондрії, рибосоми, ендоплазматична мережа і ін. В цитоплазмі є значна кількість піно- цітозних бульбашок.

Вільна поверхня клітин покрита шаром сурфактанта, що складається з фосфоліпідів, гликопротеидов. Сурфактант оберігає альвеоли від спадання і впровадження в підлеглі тканини мікроорганізмів.

Пневмоцити II типу - великі клітини з великим ядром, на своїй вільній поверхні мають короткі мікроворсинки. Пневмоцити II типу розташовуються в альвеолах поодиноко або групами між респіраторними альвеолоцитами. В їх цитоплазмі містяться добре розвинуті комплекс Гольджі і ендоплазматична мережа. Ці клітини беруть участь у виділенні сурфактанта.

Альвеоли обплетені густою капілярної мережею, між епітелієм і капілярами розташовується базальна мембрана. Газообмін здійснюється дифузією.

Лерогематічний бар'єр - це складна система клітинних і неклітинних елементів, що включають такі компоненти: шар сурфактанту, тонкий шар цитоплазми респіраторного аль- веолоціта I типу, загальну базальнумембрану епітелію і ендотелію, стоншену цитоплазму ендотеліоцита.

Кровопостачання легенів здійснюється судинами двох систем: легеневої артерії і бронхіальної артерії. Причому більша частина крові надходить по легеневих артеріях, що несе венозну кров з правого шлуночка серця. Це артерії еластичного типу, які супроводжують бронхи до бронхіол і розпадаються на капілярну мережу, навколишнє альвеоли. Невеликий діаметр капілярів і щільне прилягання до альвеол забезпечують оптимальні умови для газообміну між еритроцитами і альвеолярним повітрям.

Лімфатичні судини легенів. Вони представлені поверхневої мережею - вісцеральної плеври і глибокої мережею - легеневої тканини. Плевральні судини з'єднуються і формують кілька великих стовбурів, що несуть лімфу в лімфатичні вузли воріт легенів. Лімфатичні судини легенів супроводжують судини бронхів, легеневі артерії і легеневі вени.

Використання в харчовій промисловості. Органи дихання - гортань, трахея, легені - відносять до малоцінних харчовим продуктам. Легкі використовують для виготовлення паштетів в якості домішки до високоякісних продуктів.

  1. Механізм дії алкогольдегідрогенази - біохімія
    Ллкогольлегілрогеназа - цінксодержащіх металлоферментов, що каталізує окислення спиртів до альдегідів або кетонів: Як коферменту алкогольдегидрогеназа, як і інші дегідрогенази, використовує НАД 4 ". Молекула ферменту, виділеного з печінки коні, являє собою гомодимер з молекулярної масою 40
  2. Механізм буферного дії - біохімія людини
    Механізм буферної дії можна зрозуміти на прикладі ацетатної буферної системи CH 3 COONa / CH 3 COOH, в основі дії якої лежить кислотно-основну рівновагу: Головне джерело ацетат-іонів - сіль натрію ацетату CH 3 COONa, сильний електроліт: При додаванні лугу NaOH протони оцтової кислоти (резервна
  3. Матричний синтез ДНК і РНК, загальна характеристика - біохімія частина 2.
    Матрицею для утворення нуклеїнових кислот є фрагмент ланцюга ДНК, а для білка - ланцюг мРНК. Синтез ДНК відбувається одночасно на обох ланцюгах ДНК-матриці, а синтез РНК - на одній з її ланцюгів. В обох випадках необхідно розплітання двухспіралиюй ДНК і формування умов протікання матричного
  4. Малигнізація виразок шлунка - факультетська хірургія
    Виразки шлунка, на відміну від виразок ДПК, в 5,5-15% випадків можуть перероджуватися в рак. При цьому пухлинний процес розвивається в різних відділах виразкового субстрату: в краях, дні, навколишнього рубцевої тканини. Не виключається, що передракових станом виявляється не сама шлункова виразка,
  5. Ліпідний обмін - кровообіг, дихання, видільні процеси, розмноження, лактація, обмін речовин
    Біологічне значення ліпідів дуже різноманітне: від енергетичного забезпечення життєдіяльності до важливих пластичних функцій (побудови клітинних структур) і освіти фізіологічно активних речовин. Основну масу ліпідів в організмі тварин становлять нейтральні жири, представлені головним чином
  6. Лімфатичні утворення в порожнинних органах - цитологія, гістологія і ембріологія
    Лімфатичні фолікули розташовуються в слизовій оболонці травної, дихальної, сечостатевої систем. Характерним є наявність різної величини лімфатичних фолікулів з більш світлими центрами розмноження лімфоцитів, що розташовуються як «сторожові пости» протягом всієї довжини зазначених органів на
  7. Лікування пацієнтів з хронічним апікальним періодонтитом і періапікальних абсцесом з порожниною - стоматологія. Ендодонтія
    Лікування пацієнтів з пройденими кореневими каналами зубів. Лікування пацієнта з хронічним апікальним періодонтитом (апикальная гранульома) і періапікальних абсцесом з порожниною (свищом) полягає в запобіганні реинфекции періодонта, стимуляції репаративного процесу в періодонті. Лікування
  8. Лікарські речовини - імунодепресанти - біохімія частина 2.
    Ряд лікарських речовин, які застосовуються для імунокорекції, пригнічує імунні реакції в організмі. Стероїди. Досить ефективними ендогенними інгібіторами імунної відповіді є глюкокортикоїди. Вони роблять сильний вплив на функції імунокомпетентних клітин. Лікування стероїдними препаратами призводить
© 2014-2022  ibib.ltd.ua